您好,欢迎来到五金机电网!
请登录
免费注册
[
手机app
]
城市分站
华北区
北京
天津
石家庄
太原
哈尔滨
包头
邢台
邯郸
廊坊市
唐山
保定
秦皇岛
华中区
郑州
武汉
长沙
重庆
开封
新乡
株洲
洛阳
随州
许昌
湘潭
黄石
华东区
上海
南京
杭州
合肥
福州
南昌
济南
青岛
宁波
温州
苏州
盐城
华南区
广州
深圳
海口
佛山
东莞
南宁
珠海
中山
西部区
陕西
甘肃
四川
重庆
云南
贵州
新疆
青海
宁夏
西藏
东北区
辽宁
吉林
黑龙江
更多城市>>
帮助中心
添加收藏
杭州五金机电网
hz.jdol.com
企业
|
产品
|
商机
|
资讯
|
市场
搜索
0571-87774297
首页
产品
求购
企业
城市导航
当前位置:
首页
/
产品信息
分类:
水暖五金
轴承
管件
模具
紧固件、连接件
密封件
焊接材料与附件
气动元件
金属丝绳网
刀具、夹具
通用五金配件
手动工具
量具
刀
磨具
其他钳工工具
电动机/电机
组合工具
产品列表
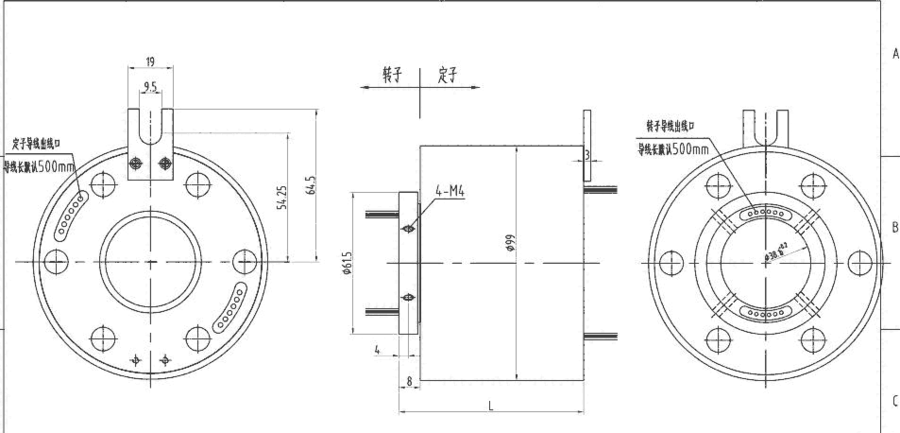
HSR3899 系列精密导电滑环
描述:
HSR3899 系列精密导电滑环-杭州百旋动力科技有限公司发布日期:2018-3-8
商铺:
http://www.jdol.com/chinashop/index_941583.html
马上留言
当前第
1
页,共1页
首页
上一页
下一页
尾页
跳转
最新产品
·
金属钢丝网/批发钢筋网片厂家/杭州钢筋网片生产商/湖州焊接钢筋网片提供商
·
浙江耐火纤维垫-浙江316 陶瓷纤维包覆垫浙江河北陶瓷纤维垫
区域精品
0571-87774297